PROJETO DAS INSTALAÇÕES ELÉTRICAS E CABEAMENTO ESTRUTURADO

Utilizando modelagem 3D (BIM) para garantir precisão, eficiência e total compatibilidade com as demais disciplinas do empreendimento, cada projeto é desenvolvido conforme as normas técnicas vigentes, atendendo a todos os requisitos de desempenho, segurança e funcionalidade, proporcionando soluções completas e otimizadas para obras residenciais, comerciais ou industriais.


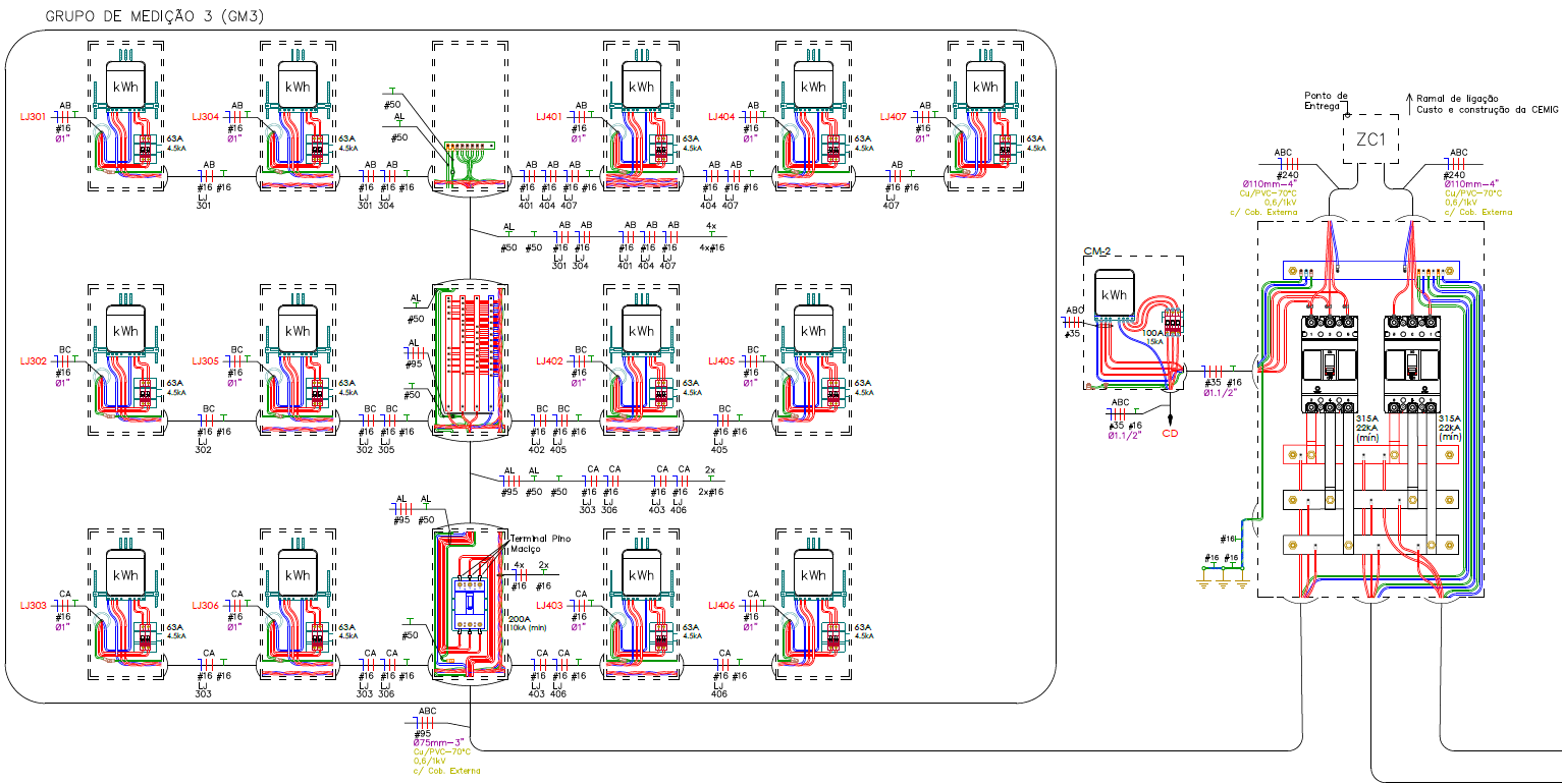
Veja abaixo imagens de alguns dos projetos elaborados por nossa equipe:
Rolar para cima